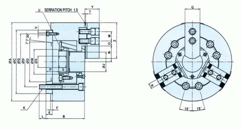
韩国瑞岩三爪卡盘型号:CAHA-06/CAHA-08/CAHA-10/CAHA-12/CAHA-15/CAHA-18/CAHA-21/CAHA-24/CAHA-32
 |
|
|
 |
|
Spec
Model
|
Order NO. |
Spindle nose NO. |
Thru-hole(Diameter) mm |
Jaw stroke(Diameter) mm |
Plunger stroke mm |
Gripping Max |
Gripping Min |
Max. permissible input force KN(kgf) |
|
CAHA-06 |
1AHA06 |
A2-5 |
46 |
5.5 |
13 |
169 |
13 |
25(2500) |
|
CAHA-08 |
1AHA08 |
A2-6 |
52 |
7.6 |
18 |
210 |
11 |
40(4080) |
|
CAHA-10 |
1AHA10 |
A2-8 |
77 |
8.5 |
20 |
254 |
31 |
50(5100) |
|
CAHA-12 |
1AHA12 |
A2-8 |
91 |
10.2 |
24 |
304 |
34 |
58(5916) |
|
CAHA-15 |
1AHA15 |
A2-11 |
118 |
10.6 |
23 |
381 |
30 |
71(7240) |
|
CAHA-18 |
1AHA18 |
A2-11 |
118 |
10.6 |
23 |
450 |
30 |
71(7240) |
|
CAHA-21 |
1AHA21 |
A2-11,15 |
140 |
10.6 |
23 |
530 |
84 |
90(9177) |
|
CAHA-24 |
1AHA24 |
A2-11,15 |
165 |
10.4 |
23 |
610 |
110 |
90(9177) |
|
CAHA-32 |
1AHA32 |
A2-15,20 |
240 |
18 |
34 |
800 |
152 |
100(10193) |
|
|
Spec
Model
|
Max. static gripping force KN(kgf) |
Max. Permissible speed r.p.m |
weight(With standard soft jaws) |
Gd moment of inertia |
matching cylinder |
Matching hard jaw |
Matching soft jaw |
|
|
CAHA-06 |
63(6426) |
6000 |
13.7 |
2.45(0.25) |
YAH-06 |
HJ-06T1 |
SJ-06T1 |
|
CAHA-08 |
94(9597) |
5000 |
23.6 |
6.90(0.71) |
YAH-08 |
HJ-08T1 |
SJ-08T1 |
|
CAHA-10 |
125(12740) |
4200 |
40 |
12.65(1.29) |
YAH-10 |
HJ-10T1 |
SJ-10T1 |
|
CAHA-12 |
147(15000) |
3300 |
64 |
30.00(3.06) |
YAH-12 |
HJ12A1 |
SJ12A1 |
|
CAHA-15 |
180(18355) |
2500 |
127 |
93.55(9.54) |
YAH-15 |
HJ-15T1 |
SJ-15A1 |
|
CAHA-18 |
180(18355) |
2000 |
178 |
187.30(19.1) |
YAH-15 |
HJ-15T1 |
SJ-15A1 |
|
CAHA-21 |
234(23861) |
1700 |
246 |
362.83(37.0) |
YAH-15 |
HJ-21B1 |
SJ-21A1 |
|
CAHA-24 |
234(23861) |
1400 |
304 |
660.94(66.4) |
YAH-15 |
HJ-21B1 |
SJ-21A1 |
|
CAHA-32 |
240(24464) |
1200 |
547 |
598.4(61) |
YSH-21 |
- |
- |
|
|
|
 |
|
Item
Model
|
A |
B |
C |
D |
E |
F |
G |
H |
J |
K |
L |
M |
N Max |
N Min |
|
CAHA-06 |
169 |
90 |
140 |
82.563 |
15 |
5 |
116 |
104.8 |
46 |
6-M10 |
16 |
20 |
33.5 |
30.7 |
|
CAHA-08 |
210 |
103 |
170 |
106.375 |
17 |
5 |
150 |
133.4 |
52 |
6-M12 |
18 |
25 |
41.7 |
37.9 |
|
CAHA-10 |
254 |
113 |
220 |
139.719 |
18 |
5 |
190 |
171.4 |
77 |
6-M16 |
24 |
30 |
54.5 |
50.3 |
|
CAHA-12 |
304 |
127 |
220 |
139.719 |
18 |
6 |
190 |
171.4 |
91 |
6-M16 |
25 |
30 |
62.1 |
56.7 |
|
CAHA-15 |
381 |
149 |
300 |
196.869 |
22 |
6 |
260 |
235 |
118 |
6-M20 |
28 |
43 |
82 |
76.7 |
|
CAHA-18 |
450 |
149 |
380 |
196.869 |
22 |
6 |
320 |
235 |
118 |
6-M20 |
28 |
43 |
82 |
76.7 |
|
CAHA-21 |
530 |
161 |
380 |
285.775 |
27 |
6 |
330.2 |
330.2 |
140 |
6-M22 |
34 |
60 |
98.5 |
93.2 |
|
CAHA-24 |
610 |
170 |
380 |
285.775 |
27 |
6 |
330.2 |
330.2 |
165 |
6-M22 |
35 |
60 |
108.4 |
103.2 |
|
CAHA-32 |
800 |
186 |
520 |
285.777 |
42 |
6 |
463.6 |
463.6 |
240 |
6-M24 |
31 |
38 |
153.5 |
144.5 |
|
|
Item
Model
|
O Max |
O Min |
P Max |
P Min |
Q |
R |
S |
T |
U Max |
V |
W |
X |
Y |
Z |
|
|
CAHA-06 |
23 |
10 |
27 |
14 |
31 |
12 |
19 |
2 |
M55X2.0 |
3-M6 |
60 |
20 |
33 |
66 |
|
CAHA-08 |
27 |
10 |
33.5 |
15.5 |
39 |
14 |
20.5 |
2 |
M60X2.0 |
3-M6 |
66 |
30 |
39 |
86 |
|
CAHA-10 |
31 |
12 |
27.5 |
7.5 |
44 |
16 |
27 |
2 |
M85X2.0 |
3-M8 |
94 |
30 |
45 |
108 |
|
CAHA-12 |
45 |
15 |
28 |
4 |
50 |
21 |
28 |
2 |
M100X2.0 |
3-M8 |
108 |
30 |
51 |
111 |
|
CAHA-15 |
43.8 |
18.3 |
33 |
10 |
62 |
22 |
39 |
5 |
M130X2.0 |
3-M10 |
139 |
60 |
70 |
165 |
|
CAHA-18 |
73.8 |
18.3 |
33 |
10 |
62 |
22 |
39 |
5 |
M130X2.0 |
3-M10 |
139 |
60 |
70 |
165 |
|
CAHA-21 |
87.5 |
21.5 |
38 |
15 |
65 |
25 |
39 |
5 |
M155X3.0 |
3-M12 |
166 |
80 |
73 |
180 |
|
CAHA-24 |
117.5 |
21.5 |
47 |
24 |
65 |
25 |
40 |
5 |
M175X3.0 |
3-M12 |
187 |
80 |
79 |
180 |
|
CAHA-32 |
190.6 |
19.5 |
|
|
75 |
25.5 |
40 |
10.4 |
M250X3.0 |
3-M12 |
260 |
80 |
83.6 |
160 |
|