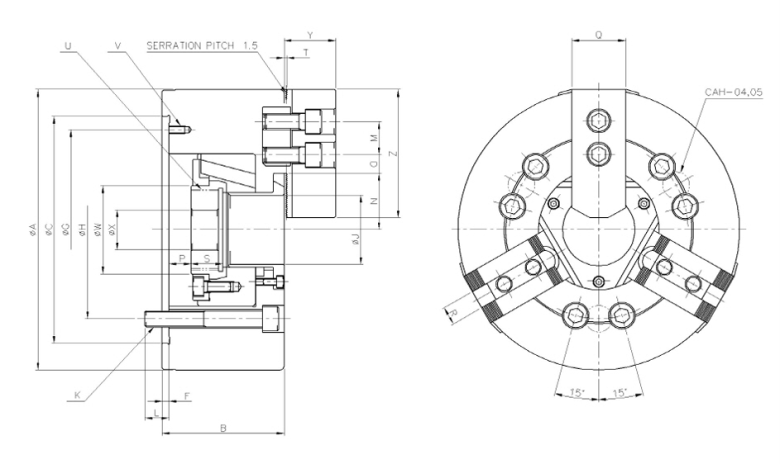
韩国瑞岩三爪卡盘型号:CAH-05/CAH-06/CAH-08/CAH-10/CAH-12/CAH-15/CAH-18/CAH-21/CAH-24/CAH-32
|
|
 |
|
|
|
|
 |
|
Spec
Model
|
Order NO. |
Spindle nose NO. |
Thru-hole(Diameter) mm |
Jaw stroke(Diameter) mm |
Plunger stroke mm |
Gripping Max |
Gripping Min |
Max. permissible input force KN(kgf) |
|
CAH-05 |
1AH05 |
- |
33 |
5.4 |
10 |
135 |
10 |
17.5(1784) |
|
CAH-06 |
1AH06 |
A2-5 |
46 |
5.5 |
13 |
169 |
13 |
25(2500) |
|
CAH-08 |
1AH08 |
A2-6 |
52 |
7.6 |
18 |
210 |
11 |
40(4080) |
|
CAH-10 |
1AH10 |
A2-8 |
77 |
8.5 |
20 |
25.4 |
31 |
50(5100) |
|
CAH-12 |
1AH12 |
A2-8 |
91 |
10.2 |
24 |
304 |
34 |
58(5916) |
|
CAH-15 |
1AH15 |
A2-11 |
118 |
10.6 |
23 |
381 |
30 |
71(7240) |
|
CAH-18 |
1AH18 |
A2-11 |
118 |
10.6 |
23 |
450 |
30 |
71(7240) |
|
CAH-21 |
1AH21 |
A2-11, 15 |
140 |
10.6 |
23 |
530 |
87 |
90(9177) |
|
CAH-24 |
1AH24 |
A2-11, 15 |
165 |
10.4 |
23 |
610 |
110 |
90(9177) |
|
CAH-32 |
1AH32 |
A2-15,20 |
240 |
18 |
34 |
800 |
152 |
100(10193) |
|
|
Spec
Model
|
Max. static gripping force KN(kgf) |
Max. Permissible speed r.p.m |
weight(With standard soft jaws) |
Gd moment of inertia |
matching cylinder |
Matching hard jaw |
Matching soft jaw |
|
|
CAH-05 |
36(3671) |
7000 |
6.7 |
0.7(0.071) |
YAH-05 |
HJ-04A1 |
SJ-05T1 |
|
CAH-06 |
63(6426) |
6000 |
12.5 |
2.26(0.23) |
YAH-06 |
HJ-06T1 |
SJ-06T1 |
|
CAH-08 |
94(9597) |
5000 |
22.3 |
66.7(0.68) |
YAH-08 |
HJ-08T1 |
SJ-08T1 |
|
CAH-10 |
125(12740) |
4200 |
34.5 |
12.84(1.31) |
YAH-10 |
HJ-10T1 |
SJ-10T1 |
|
CAH-12 |
147(15000) |
3300 |
55.3 |
28.71(2.93) |
YAH-12 |
HJ-12A1 |
SJ-12A1 |
|
CAH-15 |
180(18355) |
2500 |
120 |
89.14(9.09) |
YAH-15 |
HJ-15T1 |
SJ-15A1 |
|
CAH-18 |
180(18355) |
2000 |
164 |
174.6(17.8) |
YAH-15 |
HJ-15T1 |
SJ-15A1 |
|
CAH-21 |
234(23861) |
1700 |
235 |
351.1(35.8) |
YAH-15 |
HJ-21B1 |
SJ-21A1 |
|
CAH-24 |
234(23861) |
1400 |
293 |
651.2(66.4) |
YAH-15 |
HJ-21B1 |
SJ-21A1 |
|
CAH-32 |
240(24464) |
1200 |
530 |
598.4(61) |
YSH-21 |
- |
- |
|
|
|
 |
|
Item
Model
|
A |
B |
C |
F |
G |
H |
J |
K |
L |
M |
N Max |
N Min |
O Max |
|
CAH-05 |
135 |
60 |
110 |
4 |
96 |
82.6 |
33 |
3-M10 |
15 |
14 |
26.5 |
23.8 |
19.75 |
|
CAH-06 |
169 |
80 |
140 |
5 |
116 |
104.8 |
46 |
6-M10 |
12 |
20 |
33.5 |
30.7 |
23 |
|
CAH-08 |
210 |
91 |
170 |
5 |
150 |
133.4 |
52 |
6-M12 |
15 |
25 |
41.7 |
37.9 |
27 |
|
CAH-10 |
254 |
100 |
220 |
5 |
190 |
171.4 |
77 |
6-M16 |
17 |
30 |
54.5 |
50.3 |
31 |
|
CAH-12 |
304 |
115 |
220 |
6 |
190 |
171.4 |
91 |
6-M16 |
18 |
30 |
67.4 |
62.3 |
42 |
|
CAH-15 |
381 |
133 |
300 |
6 |
260 |
235 |
118 |
6-M20 |
30 |
43 |
82 |
76.7 |
43.8 |
|
CAH-18 |
450 |
133 |
380 |
6 |
320 |
235 |
118 |
6-M20 |
30 |
43 |
82 |
76.7 |
73.8 |
|
CAH-21 |
530 |
140 |
380 |
6 |
330.2 |
330.2 |
140 |
6-M22 |
34 |
60 |
98.5 |
93.2 |
87.5 |
|
CAH-24 |
610 |
149 |
380 |
6 |
330.2 |
330.2 |
165 |
6-M22 |
32 |
60 |
108.4 |
103.2 |
117.5 |
|
CAH-32 |
800 |
150 |
520 |
6 |
463.6 |
463.6 |
240 |
6-M24 |
31 |
38 |
153.5 |
144.5 |
190.6 |
|
|
Item
Model
|
O Min |
P Max |
P Min |
Q |
R |
S |
T |
U Max |
V |
W |
X |
Y |
Z |
|
|
CAH-05 |
7.75 |
1 |
-9 |
23 |
10 |
20 |
2 |
M40X1.5 |
3-M6 |
45 |
20 |
26 |
54 |
|
CAH-06 |
10 |
12 |
-1 |
31 |
12 |
19 |
2 |
M55X2.0 |
3-M6 |
60 |
20 |
33 |
72 |
|
CAH-08 |
10 |
16.5 |
-1.5 |
39 |
14 |
20.5 |
2 |
M60X2.0 |
3-M6 |
66 |
30 |
39 |
95 |
|
CAH-10 |
12 |
9.5 |
-10.5 |
44 |
16 |
27 |
2 |
M85X2.0 |
3-M8 |
94 |
30 |
46 |
110 |
|
CAH-12 |
12 |
100 |
-14 |
50 |
21 |
28 |
2.5 |
M100X2.0 |
3-M8 |
108 |
30 |
51.8 |
111 |
|
CAH-15 |
18.3 |
11 |
-12 |
62 |
22 |
39 |
5 |
M130X2.0 |
3-M10 |
139 |
60 |
70 |
165 |
|
CAH-18 |
18.3 |
11 |
-12 |
62 |
22 |
39 |
5 |
M130X2.0 |
3-M10 |
139 |
60 |
70 |
165 |
|
CAH-21 |
21.5 |
11 |
-12 |
65 |
25 |
39 |
5 |
M155X3.0 |
3-M12 |
170 |
80 |
73 |
180 |
|
CAH-24 |
21.5 |
20 |
-3 |
65 |
25 |
40 |
5 |
M175X3.0 |
3-M12 |
187 |
80 |
73 |
180 |
|
CAH-32 |
19.5 |
29 |
-5 |
75 |
25.5 |
40 |
10.4 |
M250X3.0 |
3-M12 |
260 |
80 |
83.6 |
160 |
|