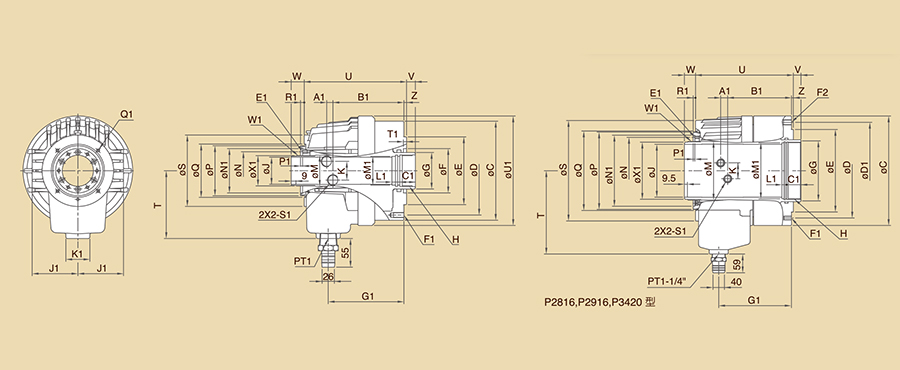
| 型式 / 規格 | A1 | B1 | C | C1 | D | D1 |
E (h7) |
E1 | F | F1 | F2 | G | G1 | H | J | J1 | K | K1 | L1 | M | M1 |
| P0928 | 9 | 109 | 120 | 25 | 100 | - | 80 | 8-M5x0.8P | 60 | 6-M8x1.25P | - | 45 | 114 | M38x1.5P | 28 | 60 | 25 | 46 | 15 | 34.6 | 34 |
| P1036 | 11 | 120 | 136 | 25 | 115 | - | 100 | 6-M5×0.8P | 65 | 6-M10×1.5P | - | 48 | 126 | M42×1.5P | 36 | 68 | 32 | 46 | 15 | 44.6 | 38 |
| P1246 | 12 | 126.5 | 155 | 30 | 130 | - | 100 | 6-M6×1P | 80 | 12-M10×1.5P | - | 65 | 133 | M55×2P | 46 | 76 | 36 | 46 | 15 | 52.9 | 50 |
| P1552 | 12 | 136 | 190 | 30 | 170 | - | 130 | 6-M6×1P | 85 | 12-M10×1.5P | - | 70 | 145 | M60×2P | 52 | 87.5 | 36 | 46 | 15 | 59.6 | 55 |
| P1875 | 17.5 | 154.5 | 215 | 35 | 190 | - | 160 | 6-M6×1P | 125 | 12-M10×1.5P | - | 95 | 163.5 | M85×2P | 75 | 101 | 36 | 46 | 15 | 84.6 | 80 |
| P1878 | 17.5 | 154.5 | 215 | 35 | 190 | - | 160 | 6-M6×1P | 125 | 12-M10x1.5P | - | 98.5 | 163.5 | M87×2P | 78 | 101 | 36 | 46 | 15 | 84.6 | 83 |
| P2091 | 21 | 168 | 240 | 35 | 215 | - | 180 | 6-M6×1P | 140 | 12-M12×1.75P | - | 110 | 183 | M100×2P | 91 | 110 | 36 | 46 | 15 | 99.6 | 95 |
| P2093 | 21 | 168 | 240 | 35 | 215 | - | 180 | 6-M6×1P | 140 | 12-M12×1.75P | - | 115 | 183 | M103×2P | 93 | 110 | 36 | 46 | 15 | 99.6 | 100 |
| P2511 | 21 | 180 | 310 | 45 | 275 | - | 230 | 6-M6×1P | 166 | 12-M16×2P | - | 140 | 190.5 | M130×2P | 120.1 | 135 | 40 | 46 | 15 | 134.6 | 125 |
| P2816 | 22 | 201 | 345 | 45 | 298 | 305 | 260 | 6-M8x1.25P | 220 | 12-M12x1.75P | 12-M16x2P | 195 | 229 | M180x3P | 166.5 | 180 | 50 | 60 | 15 | 185 | 176.5 |
| P2916 | 22 | 201 | 345 | 45 | 298 | 305 | 260 | 6-M8x1.25P | 220 | 12-M12x1.75P | 12-M16x2P | 195 | 229 | M180x3P | 166.5 | 180 | 50 | 60 | 15 | 185 | 176.5 |
| P3420 | 22 | 223 | 405 | 45 | 360 | - | 320 | 6-M8x1.25P | 260 | 12-M20x2.5P | - | 235 | 247 | M220x3P | 205 | 210 | 50 | 60 | 20 | 225 | 210 |
| P2816L | 22 | 217 | 345 | 45 | 298 | 305 | 260 | 6-M8x1.25P | 220 | 12-M12x1.75P | 12-M16x2P | 195 | 245 | M180x3P | 166.5 | 180 | 50 | 60 | 15 | 185 | 176.5 |
| P2916L | 22 | 217 | 345 | 45 | 298 | 305 | 260 | 6-M8x1.25P | 220 | 12-M12x1.75P | 12-M16x2P | 195 | 245 | M180x3P | 166.5 | 180 | 50 | 60 | 15 | 185 | 176.5 |
| 型式 / 規格 | N | N1 | P | P1 | Q | Q1 | R1 | S | S1 | T | T1 | U | U1 | V max. | V min. | W max. | W1 | W min. | X1 | Z |
活塞行程 (mm) |
| P0928 | 44 | 53 | 59 | 4 | 64.8 | 4-M4×0.7P(PCD Ø76) | 5 | 95 | PT1/4 | 105 | 4 | 159 | 137 | 9.05 | -0.95 | 33.95 | M34x1.5P | 23.95 | 31.8 | 5 | 10 |
| P1036 | 55 | 64 | 73 | 6 | 80 | 4-M5x0.8P(PCD Ø88) | 5 | 105 | PT3/8 | 115 | 6 | 179 | 154 | 10 | -5 | 39 | M44×1.5P | 24 | 42 | 5 | 15 |
| P1246 | 64 | 76 | 85 | 4 | 90 | 4-M5x0.8P(PCD Ø98) | 6 | 116 | PT1/2 | 115 | 6 | 184 | 172 | 10 | -5 | 40 | M52×1.5 P | 25 | 50 | 5 | 15 |
| P1552 | 73 | 85 | 96 | 4 | 102 | 4-M6x1P(PCD Ø110) | 7 | 137 | PT1/2 | 130 | 6 | 196 | 210 | 17 | -5 | 47 | M58×1.5P | 25 | 56 | 5 | 22 |
| P1875 | 98 | 108 | 121 | 4 | 131 | 4-M6x1P(PCD Ø155) | 7 | 165 | PT1/2 | 160 | 4 | 230 | 235 | 20 | -5 | 50 | M84×2P | 25 | 81 | 5 | 25 |
| P1878 | 98 | 108 | 121 | 4 | 131 | 4-M6x1P(PCD Ø155) | 7 | 165 | PT1/2 | 160 | 4 | 230 | 235 | 20 | -5 | 50 | M84×2P | 25 | 81 | 5 | 25 |
| P2091 | 108 | 120 | 138 | 4 | 147 | 4-M6x1P(PCD Ø165) | 7 | 180 | PT1/2 | 185 | 6 | 253 | 260 | 25 | -5 | 55 | M99×2P | 25 | 96 | 5 | 30 |
| P2093 | 108 | 120 | 138 | 4 | 147 | 4-M6x1P(PCD Ø165) | 7 | 180 | PT1/2 | 185 | 6 | 253 | 260 | 25 | -5 | 55 | M99×2P | 25 | 96 | 5 | 30 |
| P2511 | 148 | 160 | 178 | 4 | 184 | 4-M6x1P(PCD Ø206) | 7 | 230 | PT1/2 | 210 | 7 | 270.5 | - | 24 | -6 | 55 | M134×2P | 25 | 131 | 6 | 30 |
| P2816 | 210 | 224 | 244 | 5 | 250 | 6-M6x1P(PCD Ø275) | 7 | 310 | PT3/4 | 262.5 | 6 | 308 | - | 24 | -6 | 65 | M185x3P | 35 | 180 | 6 | 30 |
| P2916 | 210 | 224 | 244 | 5 | 250 | 6-M6x1P(PCD Ø275) | 7 | 310 | PT3/4 | 262.5 | 6 | 308 | - | 24 | -6 | 65 | M185x3P | 35 | 180 | 6 | 30 |
| P3420 | 250 | 264 | 284 | 5 | 290 | 6-M6x1P(PCD Ø315) | 7 | 365 | PT3/4 | 300 | 6 | 334 | - | 36 | -6 | 77 | M225x3P | 35 | 220 | 6 | 42 |
| P2816L | 210 | 224 | 244 | 5 | 250 | 6-M6x1P(PCD Ø275) | 7 | 310 | PT3/4 | 262.5 | 6 | 324 | - | 36 | -6 | 77 | M185x3P | 35 | 180 | 6 | 42 |
| P2916L | 210 | 224 | 244 | 5 | 250 | 6-M6x1P(PCD Ø275) | 7 | 310 | PT3/4 | 262.5 | 6 | 324 | - | 36 | -6 | 77 | M185x3P | 35 | 180 | 6 | 42 |
| 型式 / 規格 |
最高迴轉數 r.p.m.(min -1) |
活塞直徑 (mm) |
慣性矩 (kg.m 2) |
流量 (ι/min) |
最高使用壓力 kgf/cm 2 (Mpa) |
活塞面積 (cm 2) |
最大推(拉)力 |
淨重 (kg) |
||
| 推力側 | 拉力側 |
推力 kgf (KN) |
拉力 kgf (KN) |
|||||||
| P0928 | 8000 | 90 | 0.008 | 3.0 | 40 (3.9) | 54 | 47.5 | 2000 (19.6) | 1750 (17.2) | 6.5 |
| P1036 | 8000 | 105 | 0.012 | 3.0 | 40 (3.9) | 70 | 68 | 2500 (24.5) | 2400 (23.5) | 9.0 |
| P1246 | 7000 | 125 | 0.019 | 3.0 | 40 (3.9) | 100 | 89 | 3700 (36.2) | 3200 (31.3) | 11.9 |
| P1552 | 6200 | 155 | 0.053 | 3.9 | 40 (3.9) | 160 | 150 | 5900 (57.8) | 5500 (53.9) | 17.3 |
| P1875 | 4700 | 180 | 0.096 | 4.2 | 40 (3.9) | 198 | 183 | 6900 (67.6) | 6400 (62.7) | 26.1 |
| P1878 | 4700 | 180 | 0.096 | 4.2 | 40 (3.9) | 198 | 178 | 6900 (67.6) | 6200 (60.8) | 25.5 |
| P2091 | 3800 | 205 | 0.16 | 4.5 | 40 (3.9) | 252 | 235 | 8200 (80.4) | 7700 (75.5) | 33.3 |
| P2093 | 3800 | 205 | 0.16 | 4.5 | 40 (3.9) | 252 | 226 | 8200 (80.4) | 7400 (72.5) | 32.9 |
| P2511 | 2800 | 250 | 0.5 | 7.0 | 40 (3.9) | 348 | 336 | 11800 (115.7) | 11400 (111.8) | 56.1 |
| P2816 | 2000 | 280 | 1.6 | 11 | 38 (3.7) | 346 | 317 | 11000 (107.8) | 10000 (98) | 96.3 |
| P2916 | 2000 | 290 | 1.6 | 11 | 38 (3.7) | 391 | 361 | 11700 (114.7) | 10500 (103) | 96.1 |
| P3420 | 1600 | 340 | 3.2 | 14 | 35 (3.6) | 510 | 474 | 14300 (140.2) | 13300 (130.4) | 138.5 |
| P2816L | 2000 | 280 | 1.6 | 11 | 38 (3.7) | 346 | 317 | 11000 (107.8) | 10000 (98) | 100.6 |
| P2916L | 2000 | 290 | 1.6 | 11 | 38 (3.7) | 391 | 361 | 11700 (114.7) | 10500 (103) | 100.4 |
流量測試標準-壓力: 30kgf/cm2(2.94Mpa) 油溫: 50°C
